Комплексные решения для водоснабжения и пожаротушения
Поставляем оборудование с монтажом и наладкой
Более 20 лет на рынке насосного оборудования
Почта:
info@asu-tech.ru
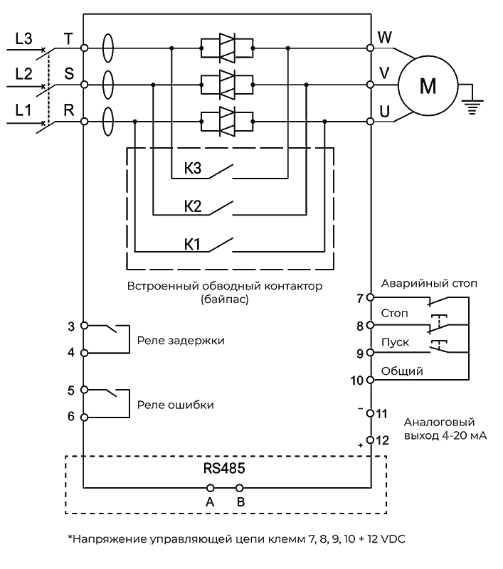
Устройство плавного пуска Instart SBI-30/60-04ДокументацияСхема подключения Instart SBI-30/60-04
ОписаниеУстройство УПП серии SBI - высокотехнологичное и надежное микропроцессорное устройство плавного пуска, предназначенное для управления стандартным трехфазным трехпроводными асинхронным двигателям мощностью 30кВт и обеспечивающее функции плавного пуска, плавного останова, энергосбережения и многоуровневой защиты двигателя. При работе существенно оптимизирует механические нагрузки и обеспечивает защиту двигателя: от КЗ или перенапряжения, от обрыва любой из фаз питающего напряжения, от перегрева двигателя во время пуска, от скачков напряжения, по превышению или снижению входного напряжения. Применение
Функциональные возможности
Эксплуатационные ограничения
|

