Комплексные решения для водоснабжения и пожаротушения
Поставляем оборудование с монтажом и наладкой
Более 20 лет на рынке насосного оборудования
Почта:
info@asu-tech.ru
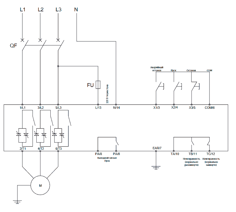
Устройство плавного пуска VEDA VM-50-P450-0820-T4-CV2ДокументацияСхема подключения VEDA MC VM-50-P450-0820-T4-CV2
ОписаниеУстройство УПП серии MCD5 - высокотехнологичное и надежное микропроцессорное устройство плавного пуска, предназначенное для управления стандартным трехфазным трехпроводными асинхронным двигателям мощностью 450кВт и обеспечивающее функции плавного пуска, плавного останова, энергосбережения и многоуровневой защиты двигателя. При работе существенно оптимизирует механические нагрузки и обеспечивает защиту двигателя: от обрыва/чередования фаз, от перегрева ЭД во время пуска, от неправильного подключения, от превышения/снижения входного напряжения, от КЗ/перенапряжения. Применение
Функциональные возможности
|

