Комплексные решения для водоснабжения и пожаротушения
Поставляем оборудование с монтажом и наладкой
Более 20 лет на рынке насосного оборудования
Почта:
info@asu-tech.ru
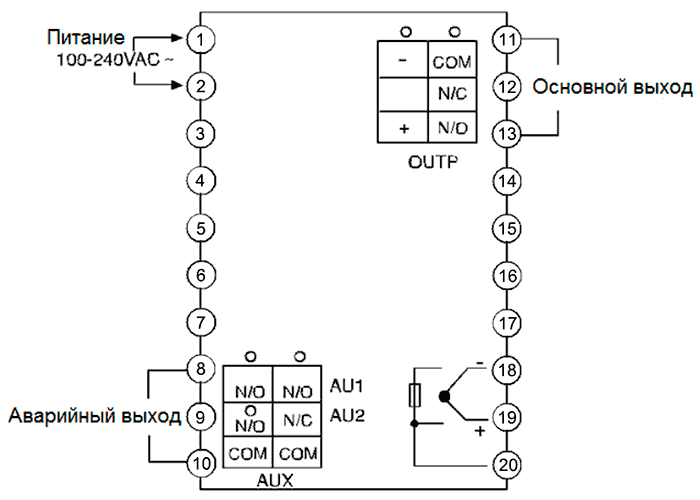
Термоконтроллер Optumus Drive AI-208F1GL0-RUДокументация
Термоконтроллеры Optumus Drive серии AI-208 это температурные контроллеры с двумя индикаторами, предназначенные для монтажа на лицевую панель шкафа. Данное оборудование используется для управления температурой в системах АСУ ТП для холодильного оборудования, в лабораториях, участков термоконтроля, которые требуют экономичного оборудования, общепромышленного регулирования температуры от 0 до +999°C.
|

